Description
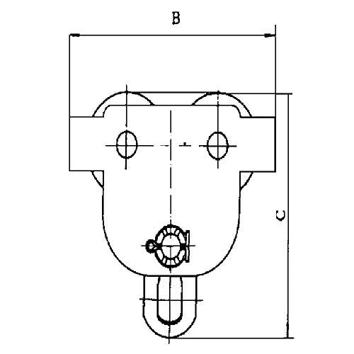
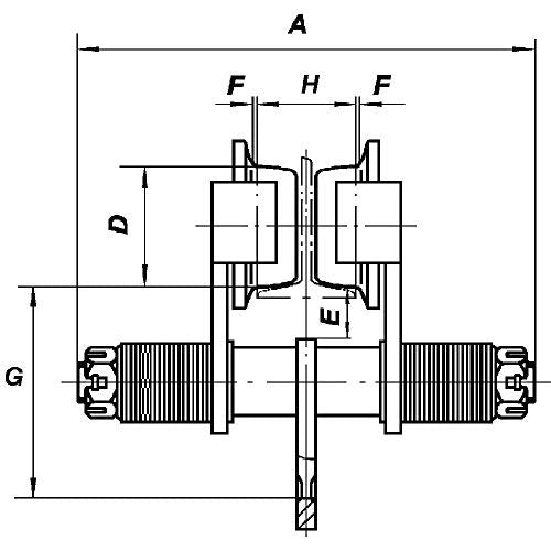
La charge est déplacée en tirant sur la chaîne de levage du palan dans le sens du déplacement Roulements à billes doubles scellés pour une longue durée de vie Roues en acier spécialement trempées conformes aux spécifications ANSI B30.11 (certificat inclus) Butées de chute/pare-chocs intégrés spécialement conçus pour supporter la charge en cas de défaillance des roues et empêchent les roues d'entrer en contact avec d'autres chariots sur le rail. Réglable pour s'adapter à différentes tailles de brides et de poutres. Livré équipé pour une utilisation sur des largeurs de faisceau allant jusqu'à 8 pouces. Peut être installé ou retiré à tout moment le long du rail. Utiliser sur des H, I droits ou incurvés. , Poutres W et S
Payment & Security
Vos informations de paiement sont gérées de manière sécurisée. Nous ne stockons ni ne pouvons récupérer votre numéro de carte bancaire.



